产品特点:
滑环孔径38.1mm,外径: 99mm;
支持每路信号(5A,最大可通过5A)、电流(10A,可选做20A/每路);
最高转速:500RPM;
标准型号支持2~36路(每路10A)电流或1~56信号(每路5A),可定制其它通路数;
接触材料采用贵金属+超硬镀金处理,电阻波动小,接触电阻小,保证优良的传输性能;
力矩小,运转稳定,寿命长;
标准化产品,有库存;
一体化结构设计,安装方便;
应用领域:
亚鼎过孔导电滑环孔径大小、电通路数、信号路数、信号类型、气液介质类型和管子大小等参数均可定制,因此可用于任意需要360度旋转导电或或传输各种信号的装置,SHR3899系列滑环可以用于灌装机、化工生产装置、自动化设备、儿童游乐设施等任意需要360°旋转导电或传输信号的设备。
技术参数:
电气技术指标
| 参数Specification | 数值Values | |
| 功率Power | 信号Signal | |
| 额定电压 | 380VAC | 240VAC/VDC |
| 绝缘电阻 | ≥1000MΩ/500VDC | ≥500MΩ/500VDC |
| 导线规格 | AWG16镀锡铁氟龙或PVC绝缘 | AWG22镀锡铁氟龙绝缘 |
| 导线长度 | 标准300mm | |
| 绝缘强度 | 500VAC@50Hz,60s | |
| 动态电阻变化值 | <0.01Ω | |
机械技术指标
| 参数Specification | 数值Values | |
| 功率Power | 信号Signal | |
| 工作转速 | 0-800rpm(或更高) | |
| 工作温度 | -20℃-+80℃ or -40℃-+80℃ | |
| 工作湿度 | 60%RH或更高 | |
| 接触材料 | 贵金属 | |
| 壳体材料 | 工业金属 | |
| 操作扭矩 | 6环产品为0.1N/m,每增加6环,扭矩增大 | |
| 保护等级 | IP51 | |
举例说明:
SRH3899-06P10-12S05 SRH表示过孔式导电滑环,孔径38.1mm,外径99mm,共有6个通路,其中6路为每路10A,另外有12路信号(5A);
SRH3899-06P10 SRH表示过孔式导电滑环,孔径38.1mm,外径99mm,共有6个通路,每路10A电流;
SRH3899-12S05 SRH表示过孔式导电滑环,孔径38.1mm,外径99mm,共有12个环道,每路5A信号电流;
*提示:10A电流环并起来可作为倍率*10A电流环使用,比如:2环10A并起来做作为1路20A使用

型号:
| 型号 | 长度L | 电流 | 总环道 | |
| 功率(10A) | 信号(5A) | |||
| SRH3899-6P | 55 | 6 | / | 6 |
| SRH3899-12S | 79 | / | 12 | 12 |
| SRH3899-12P | 79 | 12 | / | 12 |
| SRH3899-6P/12S | 103 | 6 | 12 | 18 |
| SRH3899-24S | 127 | / | 24 | 24 |
| SRH3899-18P | 103 | 18 | / | 18 |
| SRH3899--12P/12S | 127 | 12 | 12 | 24 |
| SRH3899-6P/24S | 151 | 6 | 24 | 30 |
| SRH3899-36S | 175 | / | 36 | 36 |
| SRH3899-24P | 127 | 24 | / | 24 |
| SRH3899--18P/12S | 151 | 18 | 12 | 30 |
| SRH3899-12P/24S | 175 | 12 | 24 | 36 |
| SRH3899-6P/36S | 203 | 6 | 36 | 42 |
| SRH3899-48S | 223 | / | 48 | 48 |
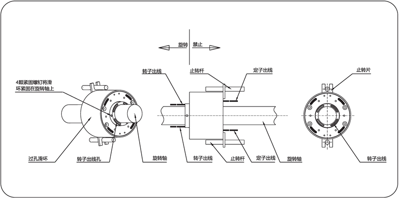
图纸:

可选项:
▸可选法兰安装.
▸可指定出现方式.
▸最大可支持:1-56路
▸可选插接头和热缩管.
▸导线长度。
▸屏蔽电缆
▸传输频率可达 500 MHz
▸可混合高速率数据传输(以太网传输,USB,Profibus)
▸信号,同轴电缆,功率线混合
▸热电偶信号混合
▸防震,高温等特殊环境定制
▸气压/液压 混合
▸高温定制可达 250 度
▸高压、大电流定制(1000A,1万伏)
▸军工级别
▸IP65,IP68 可选.
安装:

注意事项
1.滑环环体不得作承重用,环体导线也不得承受外部控力。
2.在滑环安装时,务必要保护好导线,避免因导体绝缘层损坏而影响产品品质。
3.滑环是精密电气元件,应使其在一个干燥,少尘的环境下工作。如果环境条件恶劣,应增加防护措施。
基于本型号定制:
如何进行特殊要求订购
基于型号SRH3899定制型号说明:
例子:
如果您需要订购 SRH3899,支持 60路*5A信号,订购型号为 SRH3899--60S05
如果您需要订购 SRH3899,支持 12路*5A信号 + 3路*10A,,订购型号为 SRH3899-03P10-12S05
其他特殊要求:
如果您还有其他特殊要求,比如:长度限制,高度限制,其他尺寸限制,出线方式,导线长度,定制接头,高温,大电流,军工级别等,请联系我们 联系电话:13777770275 QQ 226778285 邮箱:asia1100@163.com







