产品特点:
滑环孔径:70mm,外径: 155mm;
支持每路信号(2A)、电流(10A,可选做倍率*10A,如20A/每路);
最高转速:250RPM;
标准型号支持2~36路(每路10A)电流或2~100信号(每路2A)信号,可定制更多通路数;
接触材料采用贵金属+超硬镀金处理,电阻波动小,接触电阻小,保证优良的传输性能;
应用领域:
亚鼎SRH70155系列滑环可以用于包装机械(如:全自动装箱机、全自动封箱机、高速开箱机、全自动打包机、全自动码垛机)、电池极片轧机、电池极片自动连轧生产线、儿童游乐设备(如可供多人玩耍的可摇摆和360度旋转的超级棒棒糖摇摆游艺机、罗宾兔转马游艺机)、阀门生产设备、矿山设备(如地下岩石开挖设备、露天凿岩与勘探设备)、涂布机、连轧生产线、制片机、塑胶机械、特种纸生产设备、炭素制品生产线、铝挤压在线淬火系统及铝棒梯度冷却装置等任意需要360°旋转导电或传输各种控制信号的装置。
技术参数:
电气技术指标
| 参数 | 数值 | |
| 功率 | 信号 | |
| 额定电压 | 380VAC | 240VAC/VDC |
| 绝缘电阻 | ≥1000MΩ/500VDC | ≥500MΩ/500VDC |
| 导线规格 | AWG16镀锡铁氟龙或PVC绝缘 | AWG22镀银铁氟龙绝缘 |
| 导线长度 | 标准300mm | |
| 绝缘强度 | 500VAC@50Hz,60s | |
| 动态电阻变化值 | <0.01Ω | |
机械技术指标
| 参数 | 数值 | |
| 功率 | 信号 | |
| 工作速度 | 0~500 rpm | |
| 工作温度 | -20℃ - +80℃ | |
| 工作湿度 | 60%RH 或更高 | |
| 接触材料 | 贵金属 | |
| 壳体材料 | 铝合金 | |
| 力 距 | 6环产品为0.1N/m,每增加6环加0.03N/m | |
| 防护等级 | IP51 | |
举例说明:
SRH70155-06P10-12S05 SRH表示过孔式导电滑环,孔径70mm,外径155mm,共有6个通路,其中6路为每路10A,另外有12路信号(5A);
SRH60130-06P10 SRH表示过孔式导电滑环,孔径70mm,外径155mm,共有6个通路,每路10A电流;
SRH60130-12S05 SRH表示过孔式导电滑环,孔径70mm,外径155mm,共有12个环道,每路5A信号电流;
*提示:10A电流环并起来可作为倍率*10A电流环使用,比如:2环10A并起来做作为1路20A使用

型号:
| 型号 | 长度 (L=mm) |
额定电流 | 总环道 | |
| 功率 (10A/15A/20A) |
信号(5A) | |||
| SRH70155-6P | 71 | 6 | — | 6 |
| SRH70155-12S | 95 | — | 12 | 12 |
| SRH70155-12P | 95 | 12 | — | 12 |
| SRH70155-6P/12S | 119 | 6 | 12 | 18 |
| SRH70155-24S | 143 | — | 24 | 24 |
| SRH70155-18P | 119 | 18 | — | 18 |
| SRH70155-12P/12S | 143 | 12 | 12 | 24 |
| SRH70155-6P/24S | 167 | 6 | 24 | 30 |
| SRH70155-36S | 191 | — | 36 | 36 |
| SRH70155-24P | 143 | 24 | — | 24 |
| SRH70155-18P/12S | 167 | 18 | 12 | 30 |
| SRH70155-12P/24S | 191 | 12 | 24 | 36 |
| SRH70155-6P/36S | 215 | 6 | 36 | 42 |
| SRH70155-48S | 239 | — | 48 | 48 |
| SRH70155-30P | 167 | 30 | — | 30 |
| SRH70155-24P/12S | 191 | 24 | 12 | 36 |
| SRH70155-18P/24S | 215 | 18 | 24 | 42 |
| SRH70155-12P/36S | 239 | 12 | 36 | 48 |
| SRH70155-6P/48S | 263 | 6 | 48 | 54 |
| SRH70155-60S | 287 | — | 60 | 60 |
| SRH70155-36P | 191 | 36 | — | 36 |
| SRH70155-30P/12S | 215 | 30 | 12 | 42 |
| SRH70155-24P/24S | 239 | 24 | 24 | 48 |
| SRH70155-18P/36S | 263 | 18 | 36 | 54 |
| SRH70155-12P/48S | 287 | 12 | 48 | 60 |
| SRH70155-6P/60S | 311 | 6 | 60 | 66 |
| SRH70155-72S | 335 | — | 72 | 72 |
| SRH70155-42P | 215 | 42 | — | 42 |
| SRH70155-36P/12S | 239 | 36 | 12 | 48 |
| SRH70155-30P/24S | 263 | 30 | 24 | 54 |
| SRH70155-24P/36S | 287 | 24 | 36 | 60 |
| SRH70155-18P/48S | 311 | 18 | 48 | 66 |
| SRH70155-12P/60S | 335 | 12 | 60 | 72 |
| SRH70155-6P/72S | 359 | 6 | 72 | 78 |
| SRH70155-84S | 153 | — | 84 | 84 |
| SRH70155-48P | 239 | 48 | — | 48 |
| SRH70155-42P/12S | 263 | 42 | 12 | 54 |
| SRH70155-36P/24S | 287 | 36 | 24 | 60 |
| SRH70155-30P/36S | 311 | 30 | 36 | 66 |
| SRH70155-24P/48S | 335 | 24 | 48 | 72 |
| SRH70155-18P/60S | 359 | 18 | 60 | 78 |
| SRH70155-12P/72S | 383 | 12 | 72 | 84 |
| SRH70155-6P/84S | 407 | 6 | 84 | 90 |
| SRH70155-96S | 431 | — | 96 | 96 |
图纸:

可选项:
▸可选法兰安装.
▸可指定出现方式.
▸最大可支持:1-56路
▸可选插接头和热缩管.
▸导线长度。
▸屏蔽电缆
▸传输频率可达 500 MHz
▸可混合高速率数据传输(以太网传输,USB,Profibus)
▸信号,同轴电缆,功率线混合
▸热电偶信号混合
▸防震,高温等特殊环境定制
▸气压/液压 混合
▸高温定制可达 250 度
▸高压、大电流定制(1000A,1万伏)
▸军工级别
▸IP65,IP68 可选.
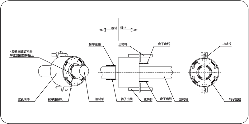
安装说明:
因为滑环转子与定子在安装时很难保证同心,建议用四个紧定螺钉将滑环固定在旋转轴上,止动杆插入止动片即可,千万不能强行固定止动片,否则可能导致滑环或达不到预期的使用寿命。

注意事项:
1.滑环环体不得作承重用,环体导线也不得承受外部控力。
2.在滑环安装时,务必要保护好导线,避免因导体绝缘层损坏而影响产品品质。
3.滑环是精密电气元件,应使其在一个干燥,少尘的环境下工作。如果环境条件恶劣,应增加防护措施。
基于本型号定制:
如何进行特殊要求订购
基于型号SRH60130定制型号说明:
例子:
如果您需要订购 SRH60130,支持 60路*5A信号,订购型号为 SRH60130--60S05
如果您需要订购 SRH60130,支持 12路*5A信号 + 3路*10A订购型号为 SRH60130-03P10-12S05
其他特殊要求:
如果您还有其他特殊要求,比如:长度限制,高度限制,其他尺寸限制,出线方式,导线长度,定制接头,高温,大电流,军工级别等,请联系我们 联系电话:13777770275 QQ 226778285 邮箱:asia1100@163.com






