产品特点:
滑环孔径 12.7mm,外径: 54mm;
支持每路信号(2A)、电流(10A,可选做20A/每路);
最高转速:600RPM;
标准型号支持1~36路10A电流或1~56信号(每路2A),可定制更多通路;
标准化产品,有库存;
一体化结构设计,安装方便;
应用领域:
亚鼎SRH1254系列滑环可以用于智能装备机器视觉系统(如自动检测设备、自动包装系统的视觉系统等),智能视觉机器人、全自动COB智能生产线(该生产线的自动上板机、自动打标机、自动擦板机、自动固晶机、在线式自动烘干机、流水线机构、自动封胶机、自动下料机等设备使用了亚鼎SRH1254系列多个型号的滑环),自动取样机、激光切膜机、小型儿童游乐设备、汽车玻璃生产设备、手机面板前工艺自动生产车间(如机器人、无人运输车、自动化仓库设备、车间中央控制系统)、热板焊接机、油罐机器人巡检系统、自动组装机、包装机、金刚石镜面抛光机、自动扎线机、船载导航雷达、机器人、半导体测试封装设备等任意需要360°旋转导电或传输各种控制信号的装置。
型号说明:
举例说明:
SRH1254-06P10-12S05 SRH表示过孔式导电滑环,孔径12.7mm,外径54mm,共有6个通路,其中6路为每路10A,另外有12路信号(5A);
SRH1254-06P10 SRH表示过孔式导电滑环,孔径12.7mm,外径54mm,共有6个通路,每路10A电流;
SRH1254-12S05 SRH表示过孔式导电滑环,孔径12.7mm,外径54mm,共有12个环道,每路5A信号电流;
*提示:10A电流环并起来可作为倍率*10A电流环使用,比如:2环10A并起来做作为1路20A使用

型号:
| 型号 Model | 长度(L=mm) | 环道数rings |
| SRH1254-6 | 33.4 | 6 |
| SRH1254-12 | 47.2 | 12 |
| SRH1254-18 | 61 | 18 |
| SRH1254-24 | 74.8 | 24 |
基于本型号定制:
浙江亚鼎电气有限公司是国内最早从事滑环技术研究,生产的公司之一, 对各个行业定制滑环经验丰富,拥有超过10000种滑环方案图纸数据库。
如何进行特殊要求订购
基于型号SRH1254定制型号说明:
例子:
如果您需要订购 SRH1254,支持 60路*5A信号,订购型号为 SRH1254--60S05
如果您需要订购 SRH1254,支持 12路*5A信号 + 3路*10A,,订购型号为 SRH1254-03P10-12S05
其他特殊要求:
如果您还有其他特殊要求,比如:长度限制,高度限制,其他尺寸限制,出线方式,导线长度,定制接头,高温,大电流,军工级别等,请联系我们 联系电话:13777770275 QQ 226778285 邮箱:asia1100@163.com
技术参数
电气技术指标
| 参数 | 数值 | |
| 功率Power | 信号Signal | |
| 额定电压 | 380VAC | 240VAC/VDC |
| 绝缘电阻 | ≥1000MΩ/500VDC | ≥500MΩ/500VDC |
| 导线规格 | AWG16镀锡铁氟龙或PVC绝缘 | AWG22镀锡铁氟龙绝缘 |
| 导线长度 | 标准300mm | |
| 绝缘强度 | 500VAC@50Hz,60s | |
| 动态电阻变化值 | <0.01Ω | |
| 参数 Specification | 数值 Values | |
| 功率 Power | 信号 Signal | |
| 工作转速 | 0-800rpm(或更高) | |
| 工作温度 | -20℃-+80℃ or -40℃-+80℃ | |
| 工作湿度 | 60%RH或更高 | |
| 接触材料 | 贵金属 | |
| 壳体材料 | 工业金属 | |
| 操作扭矩 | 6环产品为0.1N/m,每增加6环,扭矩增大 | |
| 保护等级 | IP51 | |
图纸:

可选项:
▸可选法兰安装.
▸可指定出现方式.
▸最大可支持:1-56路
▸可选插接头和热缩管.
▸导线长度。
▸屏蔽电缆
▸传输频率可达 500 MHz
▸可混合高速率数据传输(以太网传输,USB,Profibus)
▸信号,同轴电缆,功率线混合
▸热电偶信号混合
▸防震,高温等特殊环境定制
▸气压/液压 混合
▸高温定制可达 250 度
▸高压、大电流定制(1000A,1万伏)
▸军工级别
▸IP65,IP68 可选.
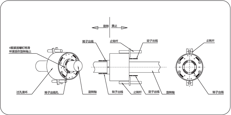
安装:
安装说明
因为滑环转子与定子在安装时很难保证同心,建议用四个紧定螺钉将滑环固定在旋转轴上,止动杆插入止动片即可,千万不能强行固定止动片,否则可能导致滑环或达不到预期的使用寿命

注意事项
1.滑环环体不得作承重用,环体导线也不得承受外部控力。
2.在滑环安装时,务必要保护好导线,避免因导体绝缘层损坏而影响产品品质。
3.滑环是精密电气元件,应使其在一个干燥,少尘的环境下工作。如果环境条件恶劣,应增加防护措施。
视频






