产品特点
可以混合功率动力线、信号线、以太网、USB、工业总线、控制线、电磁阀、感应线等;
标准为法兰安装形式,可定制空心轴安装;
能通过的介质有:压缩空气、氢气、氮气、化学混合气体、蒸汽、冷却水、热水、热油、石油、硫酸、饮料等。
订购型号说明

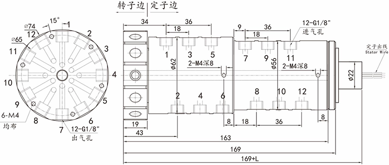
YD12006(12进8出,6~8mm气管,纯气动旋转接头)尺寸图

标准型号列表
| 型 号 | 气管数量 | 接口尺寸 | 可适应气管 |
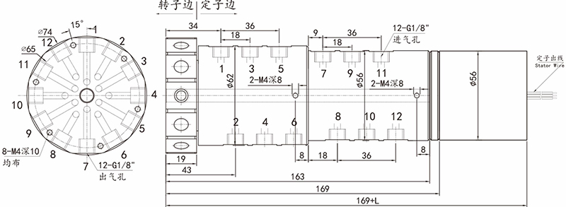
| YD12006 | 12进12出 | G1/8" | 6~8mm |
YD12006(12进12出,6~8气管)+6~36路信号/2A(适应于电池阀与感应开关)

标准型号列表
| 型 号 | 气管数量 | 接口尺寸 | 可适应气管 | 信号(2A)路数 | L长度(mm) |
| YD12006-06 | 12进12出 | G1/8" | 6~8mm | 6 | 14 |
| YD12006-12 | 12进12出 | G1/8" | 6~8mm | 12 | 21 |
| YD12006-24S | 12进12出 | G1/8" | 6~8mm | 24 | 35 |
| YD12006-36S | 12进12出 | G1/8" | 6~8mm | 36 | 52.3 |
| YD12006-56S | 12进12出 | G1/8" | 6~8mm | 56 | 82 |
YD12006(12进12出,6~8气管)+信号(5A)/10A

标准型号列表
| 型 号 | 气管数量 | 接口尺寸 | 可适应气管 | 电流(10A) 路数 | 信号(2A)路数 | L长度(mm) |
| YD12006-0605 | 12进12出 | G1/8" | 6~8mm | 0 | 6 | 38 |
| YD12006-0610 | 12进12出 | G1/8" | 6~8mm | 6 | 0 | 38 |
| YD12006-1205 | 12进12出 | G1/8" | 6~8mm | 0 | 12 | 55 |
| YD12006-0610-0605 | 12进12出 | G1/8" | 6~8mm | 6 | 6 | 55 |
| YD12006-1210 | 12进12出 | G1/8" | 6~8mm | 12 | 0 | 55 |
| YD12006-0610-1205 | 12进12出 | G1/8" | 6~8mm | 6 | 12 | 71.5 |
| YD12006-1210-0605 | 12进12出 | G1/8" | 6~8mm | 12 | 6 | 71.5 |
| YD12006-1805 | 12进12出 | G1/8" | 6~8mm | 0 | 18 | 71.5 |
| YD12006-1810 | 12进12出 | G1/8" | 6~8mm | 18 | 0 | 71.5 |
| YD12006-0610-1805 | 12进12出 | G1/8" | 6~8mm | 6 | 18 | 88.5 |
| YD12006-2405 | 12进12出 | G1/8" | 6~8mm | 0 | 24 | 88.5 |
| YD12006-3005 | 12进12出 | G1/8" | 6~8mm | 0 | 30 | 106 |
| YD12006-3605 | 12进12出 | G1/8" | 6~8mm | 0 | 36 | 125 |
技术参数
| 气管数量 | 12进12出 | 最大压力 | 正压:1Mpa,真空:-100kpa | ||
| 气管数量 | 6~8mm气管G1/8牙 | 扭矩 | <1.2N.m | ||
| 机械技术指标 | 电气技术指标 | ||||
| 参数 | 数值 | 参数 | 数值 | ||
| 工作寿命 | 2000万转(参考值,视工作环境而定) | 功率 | 信号 | ||
| 最高转速 | 连续旋转250转/分钟,间歇旋转1000/分钟 | 额定电压 | 0-240VAC/VDC | 0-240VAC/VDC | |
| 工作温度 | -30℃~80℃ | 绝缘电阻 | <500MΩ/300VDC | <500MΩ/300VDC | |
| 工作湿度 | 0-85%RH | 导线规格 | AWG26#镀银铁氟龙 | AWG26#镀银铁氟龙 | |
| 接触材料 | 贵金属接触 | 导线长度 | 标准长度250mm(可根据要求调整) | ||
| 壳体材料 | 铝合金 | 绝缘强度 | 500VAC@50Hz,6s | ||
| 防护等级 | IP51 | 动态电阻变化值 | <0.01Ω | ||




