产品特点
可以混合功率动力线、信号线、以太网、USB、工业总线、控制线、电磁阀、感应线等;
标准为法兰安装形式,可定制空心轴安装;
能通过的介质有:压缩空气、氢气、氮气、化学混合气体、蒸汽、冷却水、热水、热油、石油、硫酸、饮料等。
订购型号说明

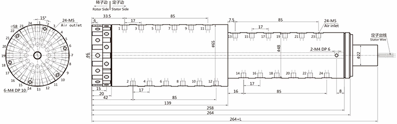
YD24004(24进24出,4mm气管,纯气动旋转接头)尺寸图

标准型号列表
| 型 号 | 气管数量 | 接口尺寸 | 可适应气管 |
| YD24004 | 24进24出 | M5 | 4~6mm |
YD24004(24进24出,4mm气管)+6~36路信号/2A(适应于电池阀与感应开关)

标准型号列表
| 型 号 | 气管数量 | 接口尺寸 | 可适应气管 | 信号(2A)路数 | L长度(mm) |
| YD24004-06S | 24进24出 | M5 | 4~6mm | 6 | 14 |
| YD24004-12S | 24进24出 | M5 | 4~6mm | 12 | 21 |
| YD24004-24S | 24进24出 | M5 | 4~6mm | 24 | 35 |
| YD24004-36S | 24进24出 | M5 | 4~6mm | 36 | 52 |
技术参数
| 气管数量 | 24进24出 | 最大压力 | 正压:1Mpa,真空:-100kpa | ||
| 气管数量 | 4mm气管M5牙 | 扭矩 | <2.4N.m | ||
| 机械技术指标 | 电气技术指标 | ||||
| 参数 | 数值 | 参数 | 数值 | ||
| 工作寿命 | 2000万转(参考值,视工作环境而定) | 功率 | 信号 | ||
| 最高转速 | 连续旋转250转/分钟,间歇旋转1000/分钟 | 额定电压 | 0-240VAC/VDC | 0-240VAC/VDC | |
| 工作温度 | -30℃~80℃ | 绝缘电阻 | <500MΩ/300VDC | <500MΩ/300VDC | |
| 工作湿度 | 0-85%RH | 导线规格 | AWG26#镀银铁氟龙 | AWG26#镀银铁氟龙 | |
| 接触材料 | 贵金属接触 | 导线长度 | 标准长度250mm(可根据要求调整) | ||
| 壳体材料 | 铝合金 | 绝缘强度 | 500VAC@50Hz,6s | ||
| 防护等级 | IP51 | 动态电阻变化值 | <0.01Ω | ||
电滑环各环路导线色码表
| 环道 | 1 | 2 | 3 | 4 | 5 | 6 | 7 | 8 | 9 | 10 | 11 | 12 |
| 色码 | 黑 | 红 | 黄 | 绿 | 蓝 | 白 | 黑 | 红 | 黄 | 绿 | 蓝 | 白 |
| 环道 | 13 | 14 | 15 | 16 | 17 | 18 | 19 | 20 | 21 | 22 | 23 | 24 |
| 色码 | 黑 | 红 | 黄 | 绿 | 蓝 | 白 | 黑 | 红 | 黄 | 绿 | 蓝 | 白 |




