产品特点:
滑环孔径:60mm,外径: 130mm;
支持每路信号(2A,可定制5A)、电流(10A,可选做20A/每路);
最高转速:300RPM;
标准型号支持2~44路(每路10A)电流或2~100信号(每路5A),可定制其它通路数;
接触材料采用贵金属+超硬镀金处理,电阻波动小,接触电阻小,保证优良的传输性能;
应用领域:
亚鼎SRH60130系列滑环可以用于玻璃制品生产设备、虚拟现实(电影车)、干燥设备(如烘干机、干燥灭菌设备、粮食烘干机等)、流延膜设备(如拉伸膜流延机、PVC流延膜设备)、三相交直流仪表检定装置(如三相四线制导电滑环)、电影设备(如4D电影设备、5D电影设备、7D电影设备等)、游乐设施(如儿童乘骑系列游艺机)等任意需要360°旋转导电或传输各种信号的装
置。如某企业生产的多人豪华旋转木马采用了多组三相减速机三相异步机驱动已达到更加逼真的游艺体验,就需要使用亚鼎电气SRH60130系列三相四线制导电滑环。
技术参数:
电气技术参数
| 参数 | 数值 | |
| 功率 | 信号 | |
| 额定电压 | 380VAC | 240VAC/VDC |
| 绝缘电阻 | ≥1000MΩ/500VDC | ≥500MΩ/500VDC |
| 导线规格 | AWG16镀锡铁氟龙或PVC绝缘 | AWG22镀银铁氟龙绝缘 |
| 导线长度 | 标准300mm | |
| 绝缘强度 | 500VAC@50Hz,60s | |
| 动态电阻变化值 | <0.01Ω | |
机械技术指标
| 参数 | 数值 | |
| 功率 | 信号 | |
| 工作速度 | 0~500 rpm | |
| 工作温度 | -20℃ - +80℃ | |
| 工作湿度 | 60%RH 或更高 | |
| 接触材料 | 贵金属 | |
| 壳体材料 | 铝合金 | |
| 力 距 | 6环产品为0.1N/m,每增加6环加0.03N/m | |
| 防护等级 | IP51 | |
举例说明:
SRH60130-06P10-12S05 SRH表示过孔式导电滑环,孔径60mm,外径130mm,共有6个通路,其中6路为每路10A,另外有12路信号(5A);
SRH60130-06P10 SRH表示过孔式导电滑环,孔径60mm,外径130mm,共有6个通路,每路10A电流;
SRH60130-12S05 SRH表示过孔式导电滑环,孔径60mm,外径130mm,共有12个环道,每路5A信号电流;
*提示:10A电流环并起来可作为倍率*10A电流环使用,比如:2环10A并起来做作为1路20A使用

型号:
| 型号 | 长度 (L=mm) |
额定电流 | 总环道 | |
| 功率 (10A/15A/20A) |
信号(5A) | |||
| SRH60130-6P | 66 | 6 | — | 6 |
| SRH60130-12S | 90 | — | 12 | 12 |
| SRH60130-12P | 90 | 12 | — | 12 |
| SRH60130-6P/12S | 114 | 6 | 12 | 18 |
| SRH60130-24S | 138 | — | 24 | 24 |
| SRH60130-18P | 114 | 18 | — | 18 |
| SRH60130-12P/12S | 138 | 12 | 12 | 24 |
| SRH60130-6P/24S | 162 | 6 | 24 | 30 |
| SRH60130-36S | 186 | — | 36 | 36 |
| SRH60130-24P | 138 | 24 | — | 24 |
| SRH60130-18P/12S | 162 | 18 | 12 | 30 |
| SRH60130-12P/24S | 186 | 12 | 24 | 36 |
| SRH60130-6P/36S | 210 | 6 | 36 | 42 |
| SRH60130-48S | 234 | — | 48 | 48 |
| SRH60130-30P | 162 | 30 | — | 30 |
| SRH60130-24P/12S | 234 | 24 | 12 | 36 |
| SRH60130-18P/24S | 210 | 18 | 24 | 42 |
| SRH60130-12P/36S | 234 | 12 | 36 | 48 |
| SRH60130-6P/48S | 258 | 6 | 48 | 54 |
| SRH60130-60S | 282 | — | 60 | 60 |
| SRH60130-36P | 186 | 36 | — | 36 |
| SRH60130-30P/12S | 210 | 30 | 12 | 42 |
| SRH60130-24P/24S | 234 | 24 | 24 | 48 |
| SRH60130-18P/36S | 250 | 18 | 36 | 54 |
| SRH60130-12P/48S | 282 | 12 | 48 | 60 |
| SRH60130-6P/60S | 306 | 6 | 60 | 66 |
| SRH60130-72S | 330 | — | 72 | 72 |
| SRH60130-42P | 210 | 42 | — | 42 |
| SRH60130-36P/12S | 234 | 36 | 12 | 48 |
| SRH60130-30P/24S | 282 | 30 | 24 | 54 |
| SRH60130-24P/36S | 282 | 24 | 36 | 60 |
| SRH60130-18P/48S | 306 | 18 | 48 | 66 |
| SRH60130-12P/60S | 330 | 12 | 60 | 72 |
| SRH60130-6P/72S | 354 | 6 | 72 | 78 |
| SRH60130-84S | 378 | — | 84 | 84 |
| SRH60130-48P | 234 | 48 | — | 48 |
| SRH60130-42P/12S | 254 | 42 | 12 | 54 |
| SRH60130-36P/24S | 282 | 36 | 24 | 60 |
| SRH60130-30P/36S | 306 | 30 | 36 | 66 |
| SRH60130-24P/48S | 330 | 24 | 48 | 72 |
| SRH60130-18P/60S | 354 | 18 | 60 | 78 |
| SRH60130-12P/72S | 378.5 | 12 | 72 | 84 |
| SRH60130-6P/84S | 402 | 6 | 84 | 90 |
| SRH60130-96S | 426 | — | 96 | 96 |
图纸:

可选项:
▸可选法兰安装.
▸可指定出现方式.
▸最大可支持:1-56路
▸可选插接头和热缩管.
▸导线长度。
▸屏蔽电缆
▸传输频率可达 500 MHz
▸可混合高速率数据传输(以太网传输,USB,Profibus)
▸信号,同轴电缆,功率线混合
▸热电偶信号混合
▸防震,高温等特殊环境定制
▸气压/液压 混合
▸高温定制可达 250 度
▸高压、大电流定制(1000A,1万伏)
▸军工级别
▸IP65,IP68 可选.
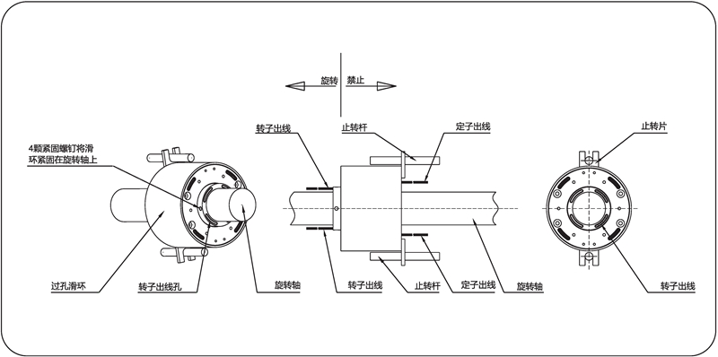
安装说明:
因为滑环转子与定子在安装时很难保证同心,建议用四个紧定螺钉将滑环固定在旋转轴上,止动杆插入止动片即可,千万不能强行固定止动片,
否则可能导致滑环或达不到预期的使用寿命。

注意事项:
1.滑环环体不得作承重用,环体导线也不得承受外部控力。
2.在滑环安装时,务必要保护好导线,避免因导体绝缘层损坏而影响产品品质。
3.滑环是精密电气元件,应使其在一个干燥,少尘的环境下工作。如果环境条件恶劣,应增加防护措施。
基于本型号定制:
如何进行特殊要求订购
基于型号SRH60130定制型号说明:
例子:
如果您需要订购 SRH60130,支持 60路*5A信号,订购型号为 SRH60130--60S05
如果您需要订购 SRH60130,支持 12路*5A信号 + 3路*10A订购型号为 SRH60130-03P10-12S05
其他特殊要求:
如果您还有其他特殊要求,比如:长度限制,高度限制,其他尺寸限制,出线方式,导线长度,定制接头,高温,大电流,军工级别等,请联系我们 联系电话:13777770275 QQ 226778285 邮箱:asia1100@163.com






