
技术参数:
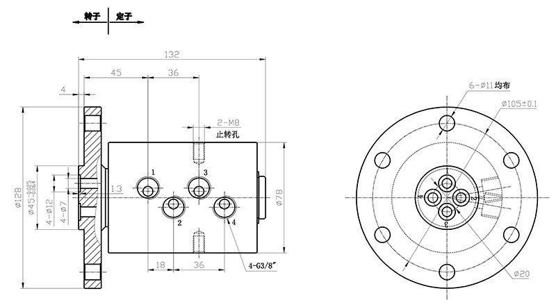
| 气滑环参数 | 1.环路:4路 |
| 气孔接头 | G3/8",通径Φ7 |
| 环境条件 |
温度-20°C~+80°C |
| 气压 | 1.2MPa/路 |
| 转速 | 250rpm |
独特接触设计提供更长寿命及免维护稳定运转(无需润滑剂)
支持数字、模拟、以太网信号,电源等混合传输
多样化外形,支持更多安装要求;
高防护等级:防油、防尘、防潮;
可支持1-126通路扩展
可满足现代工业领域广泛使用
运用的范围:
制药机械 汽车生产线、绕线机
电池机械、灌装机、吹瓶机、旋转印刷机
港口机械、重型吊臂、工程机械、塔台
汽车展台、旋转餐厅
风力发电机




