产品特点:
优良的防电弧保护,提高抗电磁干扰性能及使用寿命;优异的高温性和热氧化安定性,可承受很高温度的冲击;良好的抗磨损性和油膜润滑性,有效改善金属的接触表面;金属防锈、防腐保护,与大部分塑胶和弹胶体良好相容。
应用领域:
集电环广泛用于尖端军事领域,近年来随着我国经济建设的不断发展,民用领域也开始广泛使用此类产品,目前工业自动化系统控制、安防系统的云台等领域已广泛使用,以下则是集电环部分适用领域:
工业领域:
主要应用于测试及测量系统(精密旋转工作台、离心机、分析仪等)、机器人、汽车制造设备、自动化设备、工程机械设备等。
船舶领域:
主要应用于推进器等。
电子领域:
主要用于半导体加工设备。
医疗器械领域:
主要用于螺旋CT机。
娱乐设施领域:
主要用于旋转木马、旋转摩天轮等。
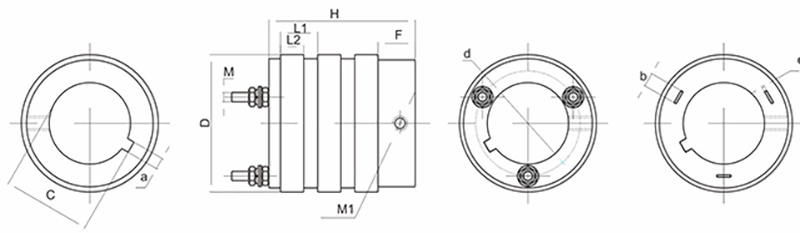
型号说明:

型号:
| Model | d | D | H | L2 | L1 | M | F | b | e | a | C | M1 |
| SRS83044-3N | 8 | 30 | 44 | 2 | 15 | 2 | 2 | / | / | / | / | / |
| SRS123645-3T | 12 | 36 | 45 | 10 | 15 | M4 | 2 | / | / | / | / | / |
| SRS183542-3N | 18 | 35 | 42 | 8 | 13 | 2 | 4 | / | / | / | / | / |
| SRS203840-3N | 20 | 38 | 40 | 10 | 14 | 2 | 2 | / | / | / | / | / |
| SRS20K3845-3T | 20 | 38 | 45 | 10 | 16 | M4 | 5 | / | / | 6 | 23 | / |
| SRS255454-3T | 25 | 54 | 54 | 10 | 16 | M4 | 5 | / | / | / | / | / |
| SRS25K7570-3S | 25 | 75 | 70 | 12 | 22 | / | 6 | 10 | 2 | 8 | 29 | / |
| SRS28K6874-3S | 28 | 68 | 74 | 17.5 | 23 | / | 6 | 10 | 2 | 5 | 31 | / |
| SRS32K7745-3T | 32 | 77 | 45 | 8 | 12 | M4 | 4 | / | / | / | / | / |
| SRS33.5K12947-3T | 33.5 | 129 | 47 | 8 | 12 | M4 | 3 | / | / | 8 | 37.5 | / |
| SRS35K5445-3W | 35 | 54 | 45 | 10 | 15 | 2平方线 | 4 | / | / | 6 | 38 | / |
| SRS356059-3T | 35 | 60 | 59 | 9 | 15 | M4 | 5 | / | / | / | / | / |
| SRS35F7049-3N | 35 | 70 | 49 | 铁芯9 | 12/8 | 3 | 12 | / | / | / | / | / |
| SRS35K8371-3T | 35 | 83 | 71 | 10 | 18 | M4 | 3 | / | / | 8 | 37.5 | / |
| SRS40K6270-3N | 40 | 62 | 70 | 14 | 24 | 2.5 | 4 | / | / | / | / | / |
| SRS40K8090-3S | 40 | 80 | 90 | 12 | 25 | / | 18 | 10 | 2 | 10 | 44 | / |
| SRS40K9038-3T | 40 | 90 | 38 | 8 | 11 | M4 | 4 | / | / | 7 | 44.5 | / |
| SRS417737-3T | 41 | 77 | 37 | 8 | 12 | M4 | 3 | / | / | / | / | / |
| SRS427060-3S | 42 | 70 | 60 | 11 | 20 | / | 5 | 5 | 2 | / | / | / |
| SRS45H6761-3S | 45 | 67 | 61 | 10 | 20 | / | / | 5 | 2 | / | / | 2-M6 |
| SRS4513945-3T | 45 | 129 | 45 | 8 | 12 | M4 | 4 | / | / | / | / | / |
| SRS45K7570-3S | 45 | 75 | 70 | 12 | 22 | / | 7 | 10 | 2 | 10 | 49 | / |
| SRS45K7869-3S | 45 | 78 | 69 | 12 | 21.5 | / | 7 | 10 | 2 | 10 | 49 | / |
| SRS5012954-3T | 50 | 129 | 54 | 8 | 12 | M4 | 4 | / | / | / | / | / |
| SRS507047-3S | 50 | 70 | 47 | 9 | 12.5 | / | 7 | 5 | 2 | / | / | / |
| SRS50K9077-3S | 50 | 90 | 77 | 15 | 27 | / | 5 | 14 | 2 | 10 | 55 | / |
| SRS50K90110-3T | 50 | 90 | 110 | 8 | 12 | M4 | 30 | / | / | 8 | 54 | / |
| SRS52K9276-3S | 52 | 92 | 76 | 14 | 27 | / | 3.5 | 14 | 2.5 | 10 | 4 | / |
| SRS5410840-3W | 54 | 108 | 40 | 7.5 | 11.5 | 线 | 3 | / | / | / | / | / |
| SRS55K10090-3S | 55 | 100 | 90 | 13.5/9 | 26 | / | 10 | 14 | 2 | 10 | 4.5 | / |
| SRS2713054-3N | 57 | 130 | 115 | 12 | 30 | 6 | 21 | / | / | / | / | / |
| SRS6013054-3T | 60 | 130 | 54 | 8 | 12 | M4 | 4 | / | / | / | / | / |
| SRS60107100-3S | 60 | 107 | 100 | 14 | 34 | / | / | 10 | 2 | / | / | / |
| SRS6010866-3T | 60 | 108 | 66 | 8 | 14 | M4 | 4 | / | / | / | / | / |
| SRS60K10885-3S | 60 | 108 | 85 | 15 | 25 | / | 8 | 12 | 2 | 12 | 65 | / |
| SRS6011572-3T | 60 | 115 | 72 | 10 | 19 | M4 | 15 | / | / | / | / | / |
| SRS6012043-3T | 60 | 120 | 43 | 9 | 3 | M4 | 3 | / | / | / | / | / |
| SRS60138125-3S | 60 | 138 | 125 | 18 | 36 | / | 11 | 20 | 3 | / | / | / |
| SRS60138125-3S | 63 | 108 | 43 | 10 | 13 | M4 | 37 | / | / | / | / | / |
| SRS6310843-3T | 63 | 120 | 76 | 10 | 20 | / | 10 | 14 | 2.5 | 14 | 68.5 | / |
| SRS65K12076-3S | 65 | 108 | 100 | 13.6 | 30 | / | 10 | 14 | 2.5 | 14 | 3.5 | / |
| SRS65K110100-3S | 65 | 110 | 100 | 14 | 28 | / | 11 | 16 | 2.5 | 14 | 5 | / |
| SRS7012043-3T | 70 | 120 | 43 | 10 | 13 | M4 | 3 | / | / | / | / | / |
| SRS70K120100-3S | 70 | 120 | 100 | 19 | 31 | / | 11 | 20 | 2 | 10 | 74 | / |
| SRS70H10875-3N | 70 | 108 | 75 | 10 | 20 | 4 | 8 | / | / | / | / | 2-M8 |
| SRS75K125110-3S | 75 | 125 | 110 | 15 | 31 | / | 9 | 14 | 2 | 14 | 79 | / |
| SRS75140124-3S | 75 | 140 | 124 | 18 | 36 | / | 11 | 20 | 3 | / | / | / |
| SRS84K130100-3S | 84 | 130 | 100 | 20 | 32 | / | 9 | 15 | 2 | 12 | 88.5 | / |
| SRS85K125127-3S | 85 | 125 | 127 | 18 | 36 | / | 10.5 | 16 | 2 | 6 | 101 | |
| SRS85K137125-3S | 85 | 137 | 125 | 18 | 36 | / | 16 | 16 | 2 | 18 | 91 | / |
| SRS90K160140-3S | 90 | 160 | 140 | 20 | 40 | / | 15 | 20 | 2 | 18 | 97 | / |
| SRS100K180140-3S | 100 | 180 | 140 | 22 | 42 | / | 20 | 20 | 2 | 14 | 105.5 | / |
| SRS23029572-3N | 230 | 295 | 72 | 10 | 16 | 5 | 22 | / | / | / | / | / |
技术规格参数:
| 机械技术指标 | 电气技术指标 | |||
| 参数 | 数值 | 参数 | 数值 | |
| 工作寿命 | 1000万转参考值(按工作情况而定) | 功率 | 信号 | |
| 额定转速 | 150转/分钟 | 额定电压 | 0~240VAC/VDC | 0~240VAC/VDC |
| 工作温度 | -30℃~-80℃ | 绝缘电阻 | ≥300MΩ/300VDC | ≥300MΩ/300VDC |
| 工作湿度 | 0~85%RH | 导线规格 | 参考选型规格 | 参考选型规格 |
| 接触材料 | 金/金 | 导线长度 | 标准长度300mm(可根据定制) | |
| 壳体材料 | 工程塑料 | 绝缘强度 | 300VAC@50Hz,60S | |
| 转动扭矩 | 0.05N.m+0.02N.m/6路 | 动态电阻变化值 | <0.01Ω | |
| 防护等级 | IP51 | |||
图纸:

安装:

联系电话:13777770275 QQ 226778285 邮箱:asia1100@163.com






