产品特点:
优良的防电弧保护,提高抗电磁干扰性能及使用寿命;优异的高温性和热氧化安定性,可承受很高温度的冲击;良好的抗磨损性和油膜润滑性,有效改善金属的接触表面;金属防锈、防腐保护,与大部分塑胶和弹胶体良好相容。
应用领域:
集电环广泛用于尖端军事领域,近年来随着我国经济建设的不断发展,民用领域也开始广泛使用此类产品,目前工业自动化系统控制、
安防系统的云台等领域已广泛使用,以下则是集电环部分适用领域:
工业领域:
主要应用于测试及测量系统(精密旋转工作台、离心机、分析仪等)、机器人、汽车制造设备、自动化设备、工程机械设备等。
船舶领域:
主要应用于推进器等。
电子领域:
主要用于半导体加工设备。
医疗器械领域:
主要用于螺旋CT机。
娱乐设施领域:
主要用于旋转木马、旋转摩天轮等
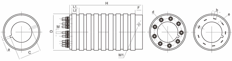
型号说明:

型号:
| Model | d | D | H | L2 | L1 | M | F | b | e | a | C | M1 |
| SRS40K100135-9T | 40 | 100 | 135 | 9.0 | 13 | M4 | 16 | / | / | 7 | 45 | / |
| SRS46K95123-9T | 46 | 95 | 123 | 12/6 | 17/9 | M4 | 8 | / | / | 12 | 51 | / |
| SRS60165162-9T | 60 | 165 | 162 | 11 | 21 | M6 | 6 | / | / | / | / | / |
| SRS34K70153-9T | 34 | 70 | 153 | 9.0 | 17 | M4 | 4 | / | / | 10 | 38 | / |
技术规格参数:
| 机械技术指标 | 电气技术指标 | |||
| 参数 | 数值 | 参数 | 数值 | |
| 工作寿命 | 1000万转参考值(按工作情况而定) | 功率 | 信号 | |
| 额定转速 | 150转/分钟 | 额定电压 | 0~240VAC/VDC | 0~240VAC/VDC |
| 工作温度 | -30℃~-80℃ | 绝缘电阻 | ≥300MΩ/300VDC | ≥300MΩ/300VDC |
| 工作湿度 | 0~85%RH | 导线规格 | 参考选型规格 | 参考选型规格 |
| 接触材料 | 金/金 | 导线长度 | 标准长度300mm(可根据定制) | |
| 壳体材料 | 工程塑料 | 绝缘强度 | 300VAC@50Hz,60S | |
| 转动扭矩 | 0.05N.m+0.02N.m/6路 | 动态电阻变化值 | <0.01Ω | |
| 防护等级 | IP51 | |||
图纸:

安装:

联系电话:13777770275 QQ 226778285 邮箱:asia1100@163.com




