产品特点:
结构紧凑,所需安装空间小
◆ 安装及维护便捷
◆ 同心度高,抗倾斜能力强
◆ 大电流温升低
◆ 信号抗干扰能力强,免维护
◆ 高压安全性强,绝缘性能稳定
◆ 环境适应性强,高低温、振动、冲击、
盐雾、湿热等条件均可满足。
◆ 可与光纤、射频、液(气)旋转关节集成
◆ 可附加热除湿装置,散热装置等
订货需知:
a) 注明中心集电器的传动型式、大中小各环数量和承载电流;
b) 是否需要加护罩壳及可视窗;
c) 外型尺寸有何要求
安装与保养:
a) 中心集电器应垂直安装;
b) 定期检查碳刷磨损情况,清除碳粉和更换碳刷;
c) 保持干燥,停用后重新启用应作适当的干燥处理。
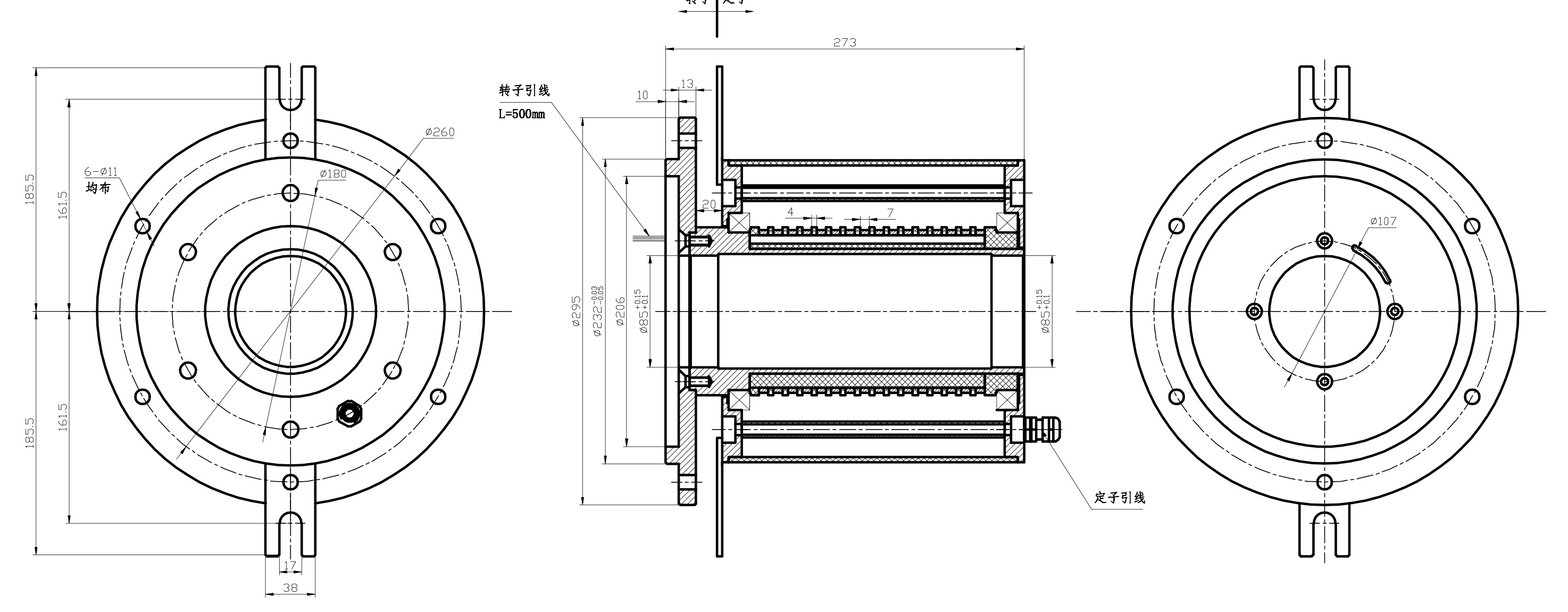
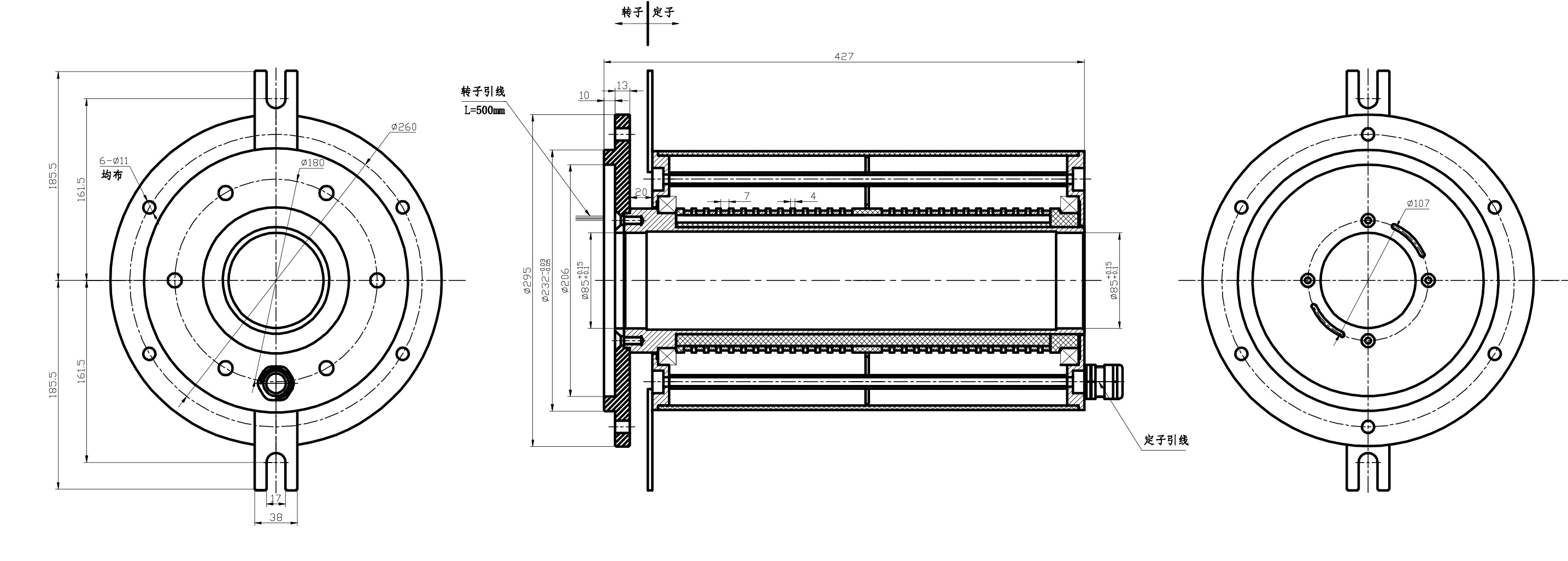
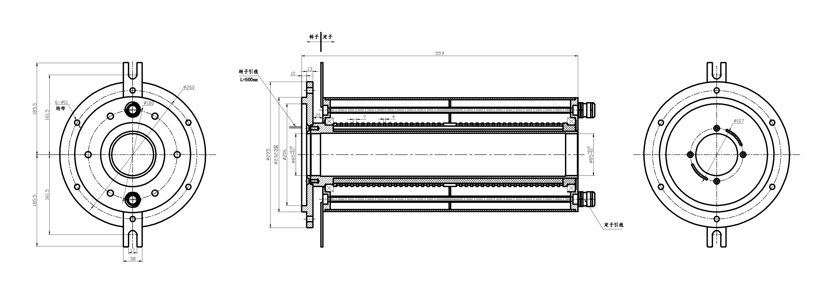
技术参数:
| 环路 | 16路/28路/40路 |
| 环路电流 | 5A/路,AWG16铁氟龙导线 |
| 环路电压 | 0~380VAC/240VDC |
| 绝缘电阻 | ≥500MΩ/500VDC |
| 绝缘体强度 | 500VAC@50Hz,60s |
| 动态接触波动值 | ≤100mΩ |
| 工作速度 | 0~250rpm |
| 壳体材料 | Q235-A |
| 温度范围 | 20°C~+80°C |
| 电接触材料 | 4X12 J164碳 |
| 防护等级 | IP51/可定制 |
方案图:


联系电话:13777770275 QQ 226778285 邮箱:asia1100@163.com






